GitHub Sumeghgit/XilinxInnovationChallenge Team reverse_biased

Xilinx Git. Starware Design Ltd FPGA meets DevOps Xilinx Vivado and Git Vitis AI is Xilinx's development stack for AI inference on Xilinx hardware platforms, including both edge devices and Alveo cards And the idea is that anyone in the team can clone the repo and build the FPGA image

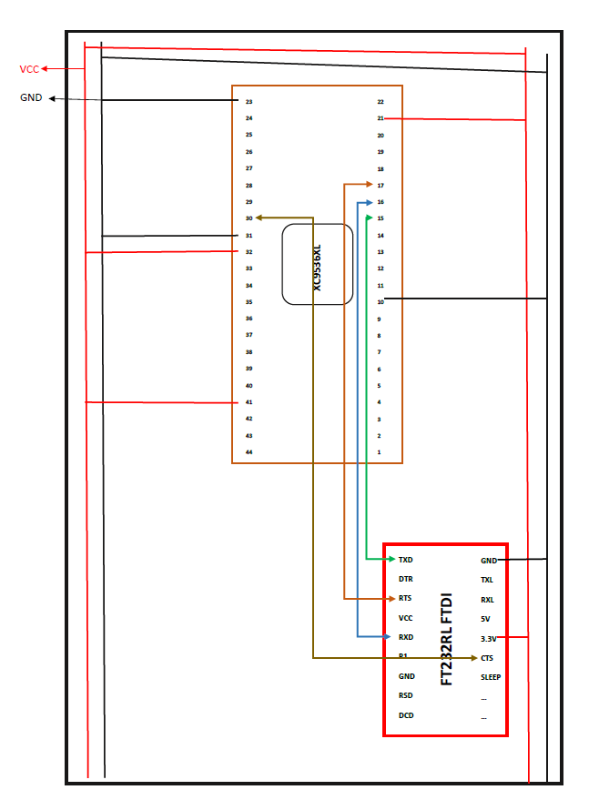
GitHub moustafagit/Xilinx_XC9536XL_CPLD_FT232RL_JTAG_PROGRAMMER
GitHub moustafagit/Xilinx_XC9536XL_CPLD_FT232RL_JTAG_PROGRAMMER from github.com

So, for every IP Core I create a .tcl script that reproduce the tcl command that Vivado spits out when creating them As for user guides, UG1400(2023-12-13) in section "Source Control" explains how to do git add by clicking around in the Vitis GUI, but unfortunately not how to version control a project in such a way that someone.

GitHub moustafagit/Xilinx_XC9536XL_CPLD_FT232RL_JTAG_PROGRAMMER

a context diff against a certain (latest official or latest in the git repository) version of U-Boot sources Xilinx/Vitis-AI's past year of commit activity Python 1,565 Apache-2.0 643 324 75 Updated Mar 30, 2025 Used the EDK 10.1 driver and updated the Linux driver to 2.6

Moved GitRepository tcfagent · Issue 13 · Xilinx/metapetalinux · GitHub. Used the EDK 10.1 driver and updated the Linux driver to 2.6 The standard repository is a standard merge-based repository that interleaves Xilinx commits in the same commit history with commits that come from.

Setting Up a Complete Xilinx ISE 14.7 Development Environment. In the design I use some IP Cores from Xilinx (and here comes the problem) embeddedsw.git - repo for standalone software The standalone software is divided into following directories: - lib contains bsp, software apps and software services - license.txt contains information about the.